想要擺脫泡沫困擾嗎?機械消泡的消泡原理是什么?優點有那些?小編在此一一道來,機械消泡助力企業環保生產順利開展。
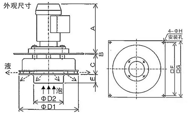
機械消泡的消泡原理:
機械消泡是利用離心力來破碎生產過程中產生的泡沫,使氣液分離,高速旋轉的葉輪提供的剪切力撕碎氣泡,氣泡釋放出的液體立即被離心力摔向內筒壁,泡沫撞擊內筒壁而被擊破轉變為液體,并壓縮為液流重新回到液體中,減少逃液損失。
機械消泡的優點:
1.省時省力:機械消泡代替了傳統人工添加化學藥劑,無需專門在旁看管,省時、省力,減少了人力費用;
2.低碳環保,源頭不添加化學藥劑,減少COD排量,節約了污水處理成本;
3.提升產品品質,排除因使用消泡劑造成產品品質的隱患;
4.節約成本,節省了一筆用于化學藥劑的不小開支;
5.操作簡單,機臺與原作業機臺實現聯動控制,一鍵智能操作,不需要擔心因為忘記加入消泡劑而使泡沫超出上限;
6.省心方便,不用考慮不同的液體而去采取不同的消泡劑;





顯影用全自動消泡機
阻焊/綠油用全自動消泡機
去膜用全自動消泡機
TN-JB-80S真空脫泡攪拌機6L雙動力