深圳市天行健機電設備有限公司 版權所有 [粵ICP備15112865號]
手機:18898764231 微信號:18898764231 郵箱:tianxingjian2024@163.com
地址:深圳市寶安區新橋街道萬豐社區中心路98工業城8棟
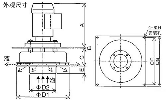
線路板泡沫產生的只要生產線有顯影段,阻焊段、綠油段,去膜段等,針對不同的生產線泡沫,需要使用的化學藥劑也不一樣。線路板(PCB)消泡器是一款物理消泡器,利用離心力來破碎生產過程中產生的泡沫,使氣液分離,高速旋轉的葉輪提供的剪切力撕碎氣泡,氣泡釋放出的液體立即被離心力摔向內筒壁,泡沫撞擊內筒壁而被擊破轉變為液體,并壓縮為液流重新回到液體中,減少逃液損失。




與一般使用消泡劑相比 | |
1 | 省時省力:無需在旁一直觀察,不需按時加入消泡劑,減少了人力費用 |
2 | 安全環保,物理消泡,代替添加化學藥劑 |
3 | 提升產品品質:排除因使用消泡劑造成產品品質的隱患 |
4 | 節約成本:節省了一筆用于消泡劑的不小開支 |
5 | 操作簡單:安裝靈活,一鍵式智能操作,不需要擔心因忘記加入消泡劑而使泡沫超出上限 |
6 | 省心方便:不用考慮不同的液體而去采取不同的消泡劑 |
7 | 保養方便 |









| 我要評論: | |
| *內 容: |
(內容最多500個漢字,1000個字符) |
| 驗證碼: | 看不清?! |
微信:188 9876 4231
郵箱:tianxingjian2024@163.com
地址:深圳市寶安區新橋街道萬豐社區中心路98工業城8棟
深圳市天行健機電設備有限公司 版權所有 [粵ICP備15112865號]
手機:18898764231 微信號:18898764231 郵箱:tianxingjian2024@163.com
地址:深圳市寶安區新橋街道萬豐社區中心路98工業城8棟
共有-條評論【我要評論】